
Tensión
220-240V AC
Potencia Máxima
300 W
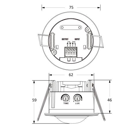
Dimensiones de corte
Ø62 mm ~ Ø70 mm
Diámetro
75 mm
Protección IP
IP20
Dimensiones
60 mm x Ø75 mm
Alto
60 mm
Material
PC
Ref efectoLED: 125655
Color Blanco
8,95 €
IVA incl.En Stock, entrega en 24/48h
Compra antes de las 15h, te lo enviamos hoy.
¿Eres Profesional de la Iluminación o una Empresa?
Compra ahora y paga más tarde
Pago a créditoDimensiones
Descargas
125655_261325 Ficha Técnica es_ES
125655_261325 Ficha Técnica pt_PT
Manual
DoC_125655_261325
Certificados y sellos
Especificaciones técnicas
Funcionalidades Mecánicas
Funcionalidades Eléctricas
Información del Producto
Materiales y Acabados
Información Driver
El Sensor de Movimiento PIR 360º Empotrable es un dispositivo diseñado para automatizar la iluminación en función de la presencia, proporcionando un importante ahorro energético y un alto nivel de confort en espacios interiores. Su formato empotrable y su diseño discreto permiten integrarlo perfectamente en falsos techos, tanto en entornos residenciales como comerciales.
Este sensor utiliza tecnología PIR (Passive Infrared), capaz de detectar variaciones en la radiación infrarroja provocadas por el movimiento de personas. Ofrece un campo de detección de 360º con un alcance máximo de 6 metros y una altura de instalación recomendada de 2.2 a 4 metros. La temporización es ajustable entre 10 segundos ± 3 seg y 7 minutos ± 2 min, permitiendo personalizar el tiempo de encendido. Asimismo, la sensibilidad lumínica es regulable de <10 lux a 2000 lux, adaptándose a diferentes niveles de iluminación ambiente.
Compatible con sistemas de 220V AC admite cargas de hasta 300W para LED. Su consumo en reposo es mínimo (aproximadamente 0.5W). Se instala de forma sencilla en falsos techos mediante muelles laterales. La conexión se realiza a través de borneras internas protegidas. Su diseño permite una integración discreta y segura en todo tipo de ambientes interiores.
El sensor permite distinguir entre el día y la noche mediante el ajuste de sensibilidad a la luz ambiente. Puede configurarse para operar exclusivamente cuando la luz natural es insuficiente, optimizando el consumo energético. Además, su temporizador se reinicia con cada nueva detección, asegurando que la iluminación permanezca activa mientras se detecte presencia en la zona.
Ideal para automatizar la iluminación en pasillos, zonas comunes, vestíbulos, entradas, baños, trasteros, oficinas, almacenes, salas técnicas y garajes. Especialmente recomendado en espacios de uso intermitente, donde la automatización contribuye a un uso más eficiente de la energía y a una mayor comodidad para los usuarios.
*Evitar orientar el sensor hacia fuentes de calor, superficies reflectantes o elementos en movimiento no humanos que puedan generar falsas detecciones.
*La percepción visual del cliente sobre tamaños, colores o texturas puede verse afectada por factores como la iluminación, la calibración de la pantalla o el dispositivo utilizado. Por ello, las imágenes tienen carácter meramente ilustrativo y pueden no reflejar con total exactitud las características reales del producto. Se informa de que algunas fotografías de ambiente mostradas en la web corresponden a entornos reales y, en otros casos, pueden haber sido generadas o editadas mediante inteligencia artificial. En ningún caso constituyen una representación exacta del producto ni tienen intención de inducir a error. Para conocer sus características reales, consulte la ficha técnica y la descripción del producto.